
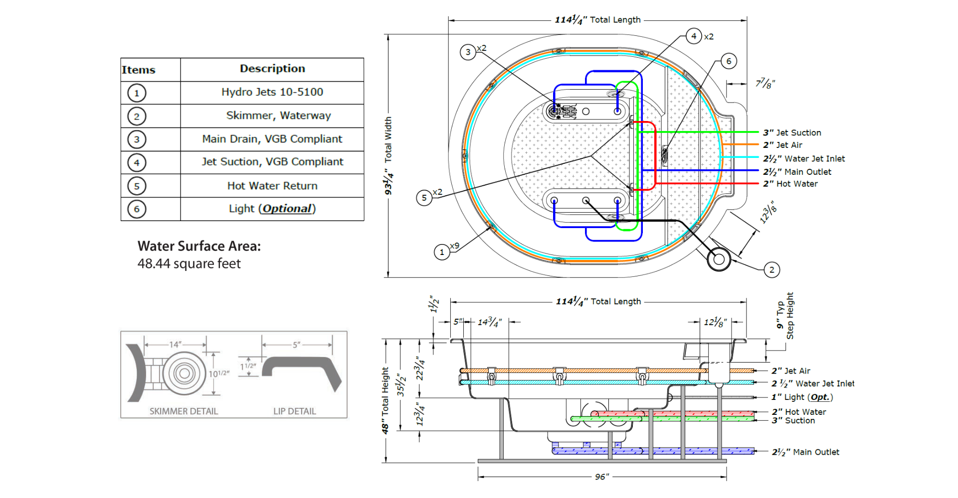
| Model | c-895 |
| Dimensions | 114 x 93 x 46 in |
| 290 x 236 x 117 cm | |
| Min. Operational Water Capacity |
420 US Gal | 1591 L |
| Max. Operational Water Capacity |
540 US Gal | 2046 L |
| Dry Weight | 695 lbs | 315 kg |
| Weight | 5180 lbs | 2349 kg |

